<menuitem id="l3d5z"><noframes id="l3d5z"><menuitem id="l3d5z"></menuitem>
<var id="l3d5z"><span id="l3d5z"><var id="l3d5z"></var></span></var><var id="l3d5z"><strike id="l3d5z"><listing id="l3d5z"></listing></strike></var>
<cite id="l3d5z"><video id="l3d5z"><thead id="l3d5z"></thead></video></cite>
<thead id="l3d5z"></thead> <menuitem id="l3d5z"></menuitem><var id="l3d5z"></var>
<var id="l3d5z"></var>
<var id="l3d5z"></var>
<cite id="l3d5z"><video id="l3d5z"><thead id="l3d5z"></thead></video></cite>
<var id="l3d5z"></var>
<var id="l3d5z"></var>
<var id="l3d5z"></var>
<var id="l3d5z"></var>
<var id="l3d5z"></var>
<var id="l3d5z"></var>
<var id="l3d5z"></var>
<menuitem id="l3d5z"></menuitem>
<var id="l3d5z"></var>
<var id="l3d5z"><strike id="l3d5z"><listing id="l3d5z"></listing></strike></var>
<cite id="l3d5z"></cite>
<cite id="l3d5z"></cite>
<var id="l3d5z"></var>
<menuitem id="l3d5z"></menuitem>
<menuitem id="l3d5z"></menuitem>
  • 熔斷器類
  • 開關類
  • 斷路器類
  • 當前位置:首頁 / 產品中心 / 開關類
    HH15(QSA)隔離開關熔斷器組

    HH15(QSA)系列隔離開關熔斷器組主要用于有高短路電流的配電  電路和電動機電路中,作為手動頻繁操作的開關、隔離開關和應急開  關,并作電路保護之用。開關可直接開閉電動機等高電感負載,特別適  用于抽屜式開關柜成套裝置中使用。

    本系列開關由刀型靜觸頭、滾動動觸頭及滅弧裝置組成的接觸系統均組裝在由耐弧工程塑料制成的封閉底座內,能達到零飛弧。操作機構由具有彈簧儲能的連桿傳動機構構成,靠彈簧力完成開關的分、合,使開關動作無關人力操作。手柄由操作手柄和傳動軸等構成,屬旋轉操作方式。當手柄旋轉操作時,使操作機構彈簧儲能,靠儲能的彈簧力釋放帶動動觸頭與靜觸頭形成合、分兩種狀態,從而達到開關分合主電路的目的。

    本開關的上部可裝一個或二個輔助開關,每個輔助開關有一對電器上分開的常開觸頭和常閉觸頭,能使控制回路明確指示開關主電路的通斷情況。

    當開關處于斷開位置時,其外露導電部件均不帶電,確保維修和更換熔斷體的安全性。


    Series HH15 (QSA) Switch-disconnector-fuse integrates the functions of load Rate  switch and fuse short-circuit protection. It is mainly applied in distribution of high
    short-circuits and motor circuits as the power switches and emergency  switches.  It is especially suitable for installation and application in draw type  cabinets. This series switches are of closed structure design. The contact  system is composed of static knife contacts. moving rolling contacts and an quenching sets that are all fitted in the sealed case made of arc resistant
    engineering plastic and zero arc flash out is achieved. The switching machanism is of reliable spring energy stored independent manual operation style.  On the upper part of the switch utmost two auxiliary switches may be quipped  in,each having a set of electrical separated normal open and normal closed  contacts.



    產品詳情

    主要技術指標


    當開關用于電動機電路中允許熔斷體額定電流大于開關的額定工作電流,但連續負載電流應不超過開關的額定工作電流。


    型號及其含義


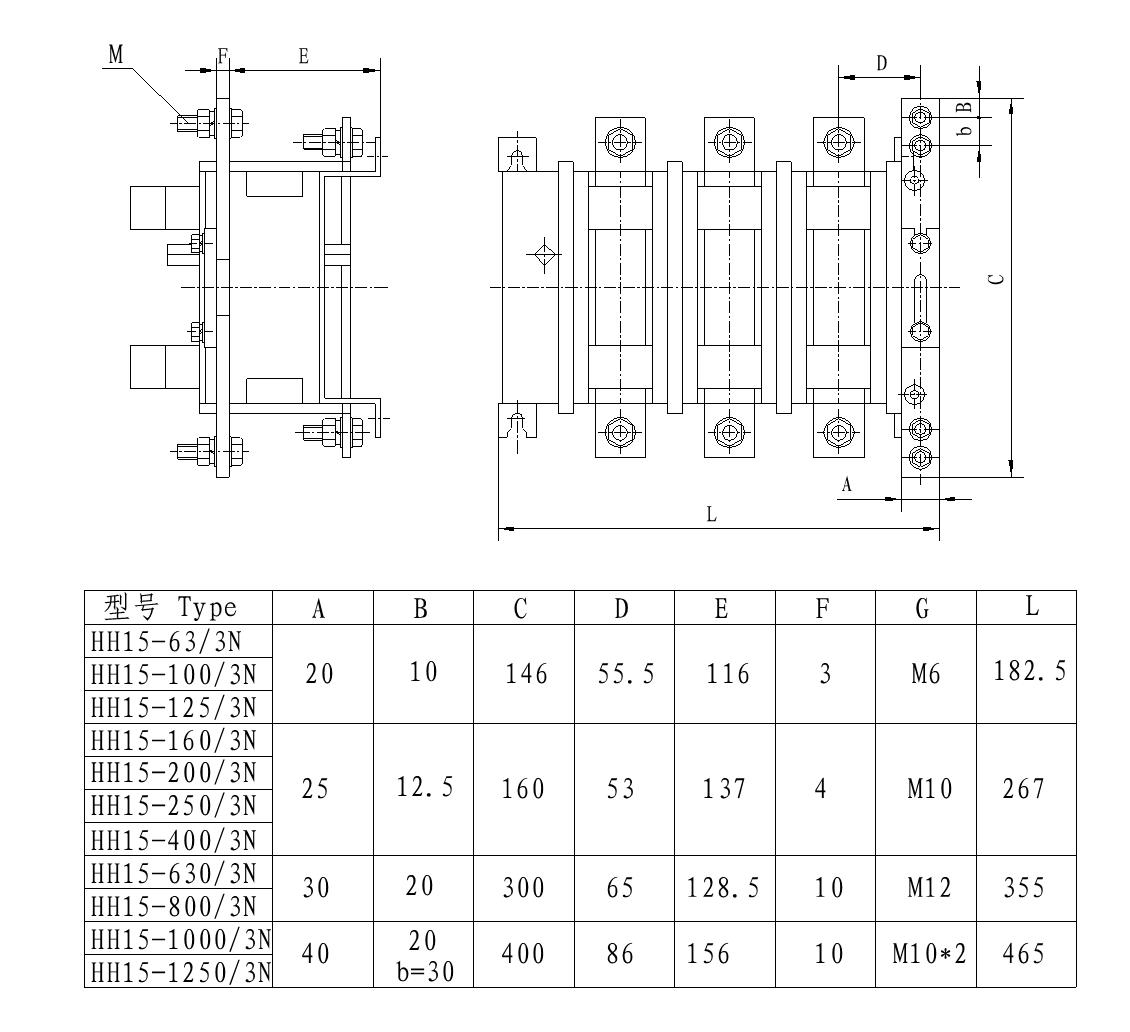
    外形及安裝尺寸




    產品中心 ——

    熔斷器類
    開關類
    斷路器類

    關于我們 ——

    公司簡介
    企業文化
    設備展示

    聯系我們 ——

    電話:0574-88215598
    傳真:0574-88215595

    郵箱:894014265@qq.com 任小姐 

    997859376@qq.com曹先生

    地址:寧波江北區北海路238弄76號
    日本情色电影